Description
Pulley For Cummins 3918275, 3925852 ID 0.874"/22.200 mm Tractors; 208-01003Part Number: C208-01003T
MPN: 208-01003
Part Notes
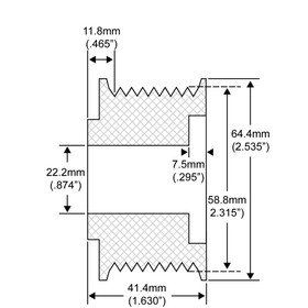
Center of Groove To Rear: 0.465"/11.800mm
Groove OD: 2.315"/58.800mm
Groove Type: Serpentine
ID: 0.874"/22.200 mm
Number of Groves: 8
OD: 2.535"/64.400 mm
Pulley Type: Solid
Thickness: 41.400 mm
Nut Recess: 0.295"/7.500mm
Part Fitment
Select Make & Type
| Make | Vehicle Type | Model |
| Cummins |
Replaces These Part Numbers
| Arrowhead | ADR5084 |
| Cummins | 3918275, 3925852 |
| J&N Electrical Products | 208-01003 |
Customer Reviews
WARNING: California’s Proposition 65
