Description
Complete Tractor is pleased to offer OEM-quality flat idlers made with exact specifications for direct-fit applications to leading brands of outdoor power equipment. Precision engineering ensures a replacement part that performs at optimal standards and installs easily without modifications or adjustments.
What flat idlers do
Flat idlers are an integral component in the pulley system to transfer power. A flat idler works in conjunction with a drive pulley that receives power from the motor but is not connected to the original power source itself. Stens flat idlers are designed for smooth and consistent movement of a belt to enhance overall operation. Flanges with exact tolerances keep the belt in place to prevent slippage that could adversely affect performance. Flat idlers provide just enough pressure to engage the belt and redirect motion.
The Complete Tractor Advantage – 1-Year Warranty
We stand behind every product with our total-confidence 1-year warranty. Yes, you have a full year to make sure everything meets your expectations.
Part Number: C280-222T
MPN: 280-222
Part Notes
Description: Flat IdlerHeight: 1"
ID: 3/8"
OD: 3 1/16"
Material: Metal
Heavy Duty: TRUE
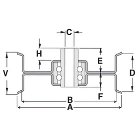
For explanation of letters, refer to the drawing by clicking on More Info
Made By: An OEM Supplier
A:: 3 1/16"
B:: 2 3/4"
C:: 3/8"
D:: 7/8"
E:: 1/4"
F:: 1/4"
V:: 1"
Part Fitment
| Make | Vehicle Type | Model |
| Toro |
Replaces These Part Numbers
| Simplicity | 1685151, 1685151SM, 1708030, 1708030SM, 1726348, 1726348SM |
| Toro | 105874, 92-7104 |
